内蒙古德明电子科技有限公司产品解决方案 联系电话:15384841043张工
烟雾传感器就是通过监测烟雾的浓度来实现火灾防范的,烟雾报警器内部采用离子式烟雾传感,离子式烟雾传感器是一种技术先进,工作稳定可靠的传感器,被广泛运用到各种消防报警系统中,性能远优于气敏电阻类的火灾报警器。

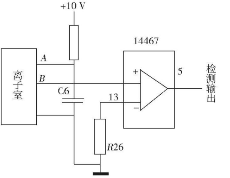
它在内外电离室里面有放射源镅241,电离产生的正、负离子,在电场的作用下各自向正负电极移动。在正常的情况下,内外电离室的电流、电压都是稳定的。一旦有烟雾窜逃外电离室。干扰了带电粒子的正常运动,电流,电压就会有所改变,破坏了内外电离室之间的平衡,于是无线发射器发出无线报警信号,通知远方的接收主机,将报警信息传递出去。烟雾传感器广泛应用在城市安防、小区、工厂、公司、学校、家庭、别墅、仓库、资源、石油、化工、燃气输配等众多领域。
烟雾传感器分类
1.离子式烟雾传感器
该烟雾报警器内部采用离子式烟雾传感,离子式烟雾传感器是一种技术先进,工作稳定可靠的传感器,被广泛运用到各消防报警系统中,性能远优于气敏电阻类的火灾报警器。
2.光电式烟雾传感器
光电烟雾报警器内有一个光学迷宫,安装有红外对管,无烟时红外接收管收不到红外发射管发出的红外光,当烟尘进入光学迷宫时,通过折射、反射,接收管接收到红外光,智能报警电路判断是否超过阈值,如果超过发出警报。
3.气敏式烟雾传感器
气敏传感器是一种检测特定气体的传感器。它主要包括半导体气敏传感器、接触燃烧式气敏传感器和电化学气敏传感器等,其中用的最多的是半导体气敏传感器。它的应用主要有:一氧化碳气体的检测、瓦斯气体的检测、煤气的检测、氟利昂(R11、R12)的检测、呼气中乙醇的检测、人体口腔口臭的检测等等。
它将气体种类及其与浓度有关的信息转换成电信号,根据这些电信号的强弱就可以获得与待测气体在环境中的存在情况有关的信息,从而可以进行检测、监控、报警;还可以通过接口电路与计算机组成自动检测、控制和报警系统。
光电感烟探测器可分为减光式和散射光式:

1、减光式光电烟雾探测器

该探测器的检测室内装有发光器件及受光器件。在正常情况下,受光器件接收到发光器件发出的一定光量;而在有烟雾时,发光器件的光到受到烟雾的遮挡,使受光器件接收的光量减少,光电流降低,探测器发出报警信号。
2、散射光式光电烟雾探测器
该探测器的检测室内也装有发光器件和受光器件。在正常情况下,受光器件是接收不到发光器件发出的光的,因而不产生光电流。在发生火灾时,当烟雾进入检测室时,由于烟粒子的作用,使发光器件的光产生漫射,这种漫射光被受光器件接收,使受光器件的阻抗发生变化,产生光电流,从而实现了烟雾信号转变为电信号的功能,探测器收到信号然后判断是否需要发出报警信号。
该型传感器内部构造(探测腔)设置了光学传感器,烟雾进入探测腔会阻挡光的产生散射,光电接收器会接收到由于光的散射而产生变化的信号,继而产生电流信号的改变。
气敏式烟雾传感器
气敏传感器是一种检测特定气体的传感器。它主要包括半导体气敏传感器、接触燃烧式气敏传感器和电化学气敏传感器等,其中用的最多的是半导体气敏传感器。它的应用主要有:一氧化碳气体的检测、瓦斯气体的检测、煤气的检测、氟利昂(R11、R12)的检测、呼气中乙醇的检测、人体口腔口臭的检测等等。
